小车往返运动用S7-200实现小车往返的自动控制 ,控制过程为按下启动按钮 ,小车从左边往右边(右边往左边运动) 当运动到右边(左边)碰到右边(左边)的行程开关后 小车自动做返回运动,当碰到另一边的行程开关后又做返回运动 。如此的往返运动,直到当按下停车按钮后小车停止运动。

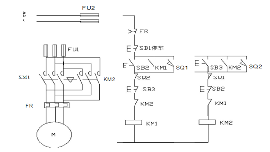
▲电气接线图(来源于工控论坛,下同)
I/O分配表

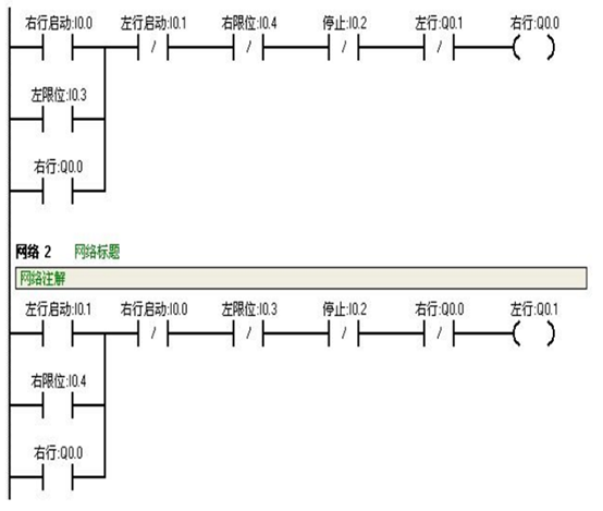
梯形图程序

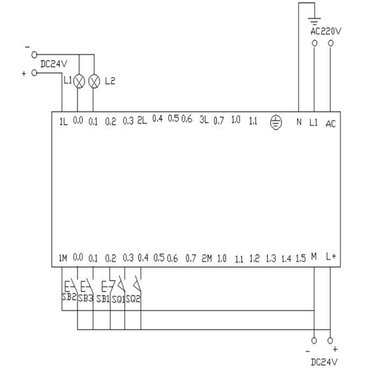
PLC接线图

程序调试及结果分析

▲控制平台操作面板
当按下SB2即i0.0(鼠标点击i0.0f)接通后,Q0.0接通,小车右行(即指示 灯 Q0.0 亮)。当小车运行碰到右限位开关SQ2即i0.4(用鼠标点击i0.4f,模拟SQ2被压下)接通,此时小车左行(指示灯Q0.0灭,指示灯Q0.1亮),当运行到左边碰到左限位SQ1即i0.3(鼠标点击i0.3f)接通,此时小车又往右运行(指示灯Q0.1灭,指示灯Q0.0 亮)。如此往返运动下去直到按下SB1即i0.2(鼠标点i0.2f)接通,小车停止运行。
来源链接:https://gongkong.ofweek.com/2021-06/ART-310012-8300-30505833.html
© 版权声明
本站部分资源来自于网络,仅供学习与参考,请勿用于商业用途,否则产生的一切后果将由您(转载者)自己承担!
如有侵犯您的版权,请及时联系3500663466@qq.com,我们将第一时间删除本站数据。
相关文章
暂无评论...