利用西门子S7-200的PLC实现星三角接法的降压启动。
星三角降压启动的电路图与控制图

流程框架图如下

I/O分配表

梯形图程序

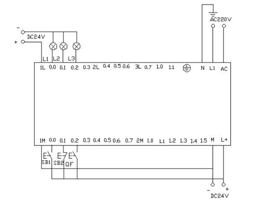
PLC接线图

程序调试及结果分析
把编写好的程序下载都西门子S7-200的PLC中进行调试,下载好后我们打开在线控制面板进行调试,看运行结果是否符合要求。首先把控制面板上的i0.2f置位为按钮按下去,即i0.2 接通,表示断路器QF合上。按下启动按钮i0.0f(SB2)即i0.0接通此时电动机星形启动,Q0.0和Q0.1有输出,实验接线图中表示这两个的灯L1和L2都亮同时驱动时间计数器,当计时器计到10S时切换为三角型启动,此时Q0.1无输出,Q0.2有输出,则此时Q0.0和Q0.2 有输出,电机三角星运行。接线面板上的L 1和L3灯亮。按下在线面板上的i0.1f后(i0.1接通)此时电动机停止运行。所以的输出点都无输出。
来源链接:https://gongkong.ofweek.com/2021-06/ART-310012-8300-30506406.html
© 版权声明
本站部分资源来自于网络,仅供学习与参考,请勿用于商业用途,否则产生的一切后果将由您(转载者)自己承担!
如有侵犯您的版权,请及时联系3500663466@qq.com,我们将第一时间删除本站数据。
相关文章
暂无评论...